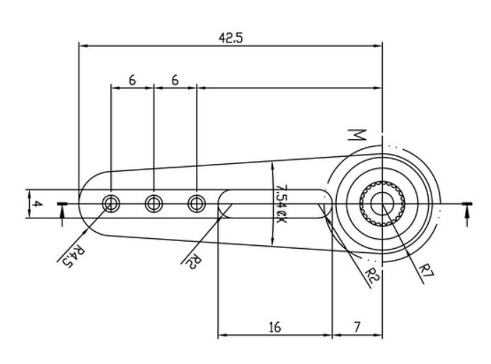
Prolux 鋁合金加長型伺服器擺臂 servo horn 適用25T Futaba(5132M3F) No: 21646421543019 Vendor FUTABA 雙葉 Price: $160.00 Quantity Add to cart Comments: Post